总投资近6亿元 泉州大桥扩改丰泽段房屋征收补偿安置实施方案征求意见
近日,《泉州市丰泽区人民政府关于国道G324线泉州大桥及接线扩宽改造工程丰泽段房屋征收补偿安置实施方案征求意见的通告》发布。

从《征求意见》和征收范围图获悉,本次国道G324线泉州大桥及接线扩宽改造工程丰泽段房屋征收范围位于东至宝洲街,西至鲤城区交界,南至泉州大桥,北至灯洲社区后田自然村,用地面积16.055亩。

国道G324泉州大桥及接线扩宽改造工程
丰泽段征收范围图
原文如下:
泉州市丰泽区人民政府关于国道G324线
泉州大桥及接线扩宽改造工程丰泽段房屋征收补偿
安置实施方案征求意见的通告
因交通基础设施建设的公共利益需要,拟征收国道G324线泉州大桥及接线扩宽改造工程丰泽段项目范围内房屋及其附属物(具体以征收范围图为准)。根据《国有土地上房屋征收与补偿条例》(国务院令第590号)第十条、《福建省实施〈国有土地上房屋征收与补偿条例〉办法》(省政府令第138号)第十一条、《泉州市国有土地上房屋征收与补偿规定》(泉政文〔2020〕6号)第十条等有关规定,本人民政府已组织有关部门对国道G324线泉州大桥及接线扩宽改造工程丰泽段房屋征收补偿安置实施方案进行论证,现予以公布,征求公众意见。
本房屋征收补偿方案征求意见期限为2020年9月10日至2020年10月9日。
被征收人对该房屋征收补偿方案有异议的,请持本人身份证明和房屋权属书证材料(或房屋所在地基层组织出具的证明)在征求意见期限内以书面形式提出。
联系单位:泉州市丰泽区人民政府泉秀街道办事处
联系人:吴美加 联系电话:0595-22589596
联系地址:泉州市丰泽区江滨北路1366号泉秀街道灯洲社区居委会
特此通告。
附件:国道G324线泉州大桥及接线扩宽改造工程
泉州市丰泽区人民政府
2020年8月31日
延伸阅读
国道G324泉州大桥及接线扩宽改造工程
⑴ 项目名称:国道G324泉州大桥及接线扩宽改造工程
⑵ 建设单位:泉州市公路局直属分局
⑶ 建设性质:改扩建
⑷ 项目总投资:59516.2010万元,其中:建安工程费18761.2650万元,工程建设其他费用1430.4320万元,预备费4726.1187万元,土地使用及拆迁补偿费32320.7330万元,建设期贷款利息2277.6523万元。
⑸ 资金筹措:资金筹措采取地方政府自筹、交通运输补助、银行贷款多种形式。
⑹ 建设年限:24个月,2020年11月~2022年10月。
⑺ 建设地点:本工程起点位于泉州市鲤城区临江街道和丰泽区泉秀街道宝洲路与温陵路平交口(K0+460.785),终点位于晋江市池店镇衔接已建成的桥南互通(K1+617.039)。
⑻ 建设内容:本项目路线长度1.159公里。接线及桥梁均为双向四车道、现状宽度均为16.5m,本次拟利用老路扩宽将接线道路宽度改造至37.10米、桥梁宽度38.76米的双向六车道。工程完成后,设计速度为60km/h,按二级公路标准进行建设。项目建设内容包含桥梁838m/1座,涵洞2道,平交口1处,路基路面工程,市政工程,交通安全设施。
⑼ 征地及拆迁范围、数量:本项目征地拆迁范围涉及丰泽区泉秀街道灯洲社区(主要为居民区及沿街店铺)、鲤城区临江街道隘南社区(主要为居民区、沿街店铺以及1座宝海庵),项目沿线占用土地以建设用地为主。涉及征用土地58.65亩,拆迁房屋20174平方米,电力电讯13.2公里。
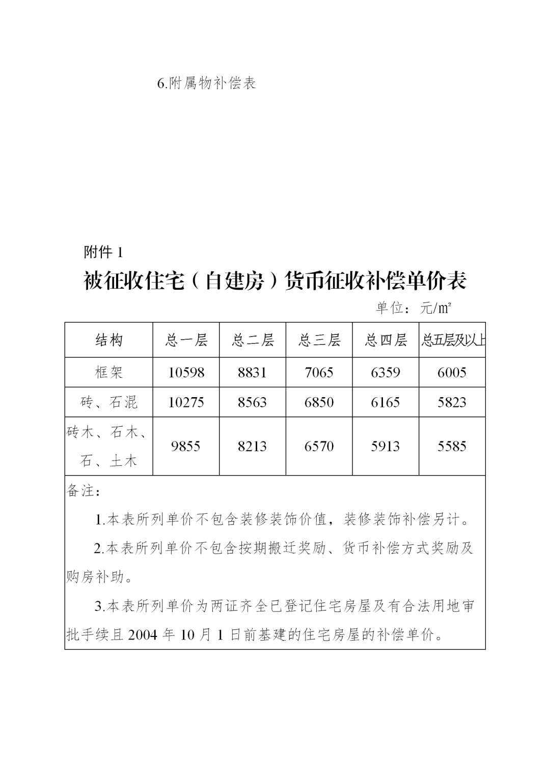
国道G324线泉州大桥及接线扩宽改造工程
丰泽段房屋征收补偿安置实施方案
(征求意见稿)






















